MOQ:视材料和产品复杂程度而定,通常100PCS
样品:有
OEM:我们支持OEM/ODM
合作条款
描述
中国批发 30BYJ46 齿轮步进电机制造商。也许您正在寻找高品质 30BYJ46 齿轮步进电机。
昆山亚虎电子有限公司是一家专业的步进电机制造商和供应商,能够满足您的各种需求。我们不仅提供30BYJ46减速步进电机,还能满足您的定制需求。
YAHU齿轮步进电机应用于高端智能卫浴品牌的冲水系统、空调、厨房电器等产品。
规格
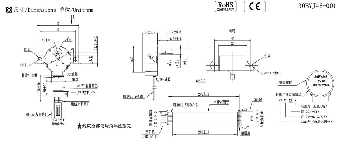
30BYJ46电机图纸

接线图

如有需要,我公司可以定制各类非标产品,欢迎随时咨询sales@ksyh-motor.com。
在线询盘
相关产品